插拔式接线端子

FPM2.5-XX-500-00R 插拔式接线端子

产品分类

Porducts

联系我们

Contact Us

联系人:吴小姐

直线1:86-15999768769

直线2:86-15014816629

直线3:86-15016766649

QQ:931227993

邮箱 :helenqing123@gmail.com



FPM2.5-XX-500-00R 插拔式接线端子

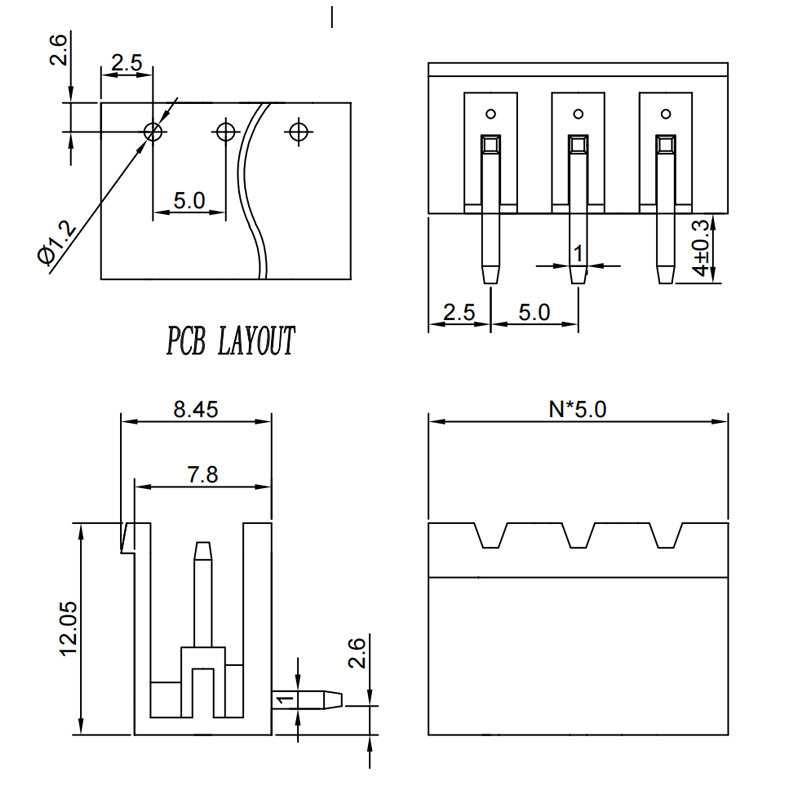
  • 插拔式连接器 额定电流: 15 A 额定电压: 300V 间距:5.0mm
  • 线数
    2
    3
    4
    5
    6
    7
    8
    9
    10
    11
    12
产品净重: 包装数量:

产品详情

技术参数
UL/CUL(Technical Data)
等级BCD
额定电压[V]300-300
额定电流[A]16-10
接线范围/
单/多芯线[AWG]
耐电压/
技术参数
IEC
过电压类别||||||||
污染级别322
额定电压[V]450320630
额定电流[A]161515
额定冲击电压[KV]444
导线截面积/
硬性/柔性导线[mm²]
材料
绝缘材料PA66
阻燃等级UL94V-0
导体材料铜合金(Copper alloy)
导体表面镀层镀锡(Tin Plated)
一般参数
间距[mm]5
级数[P]2--24
剥线长度[mm]/
螺丝/
扭矩[N.m]
工作温度 [℃]-40~+105
引针尺寸[mm]1.0*1.0
PCB板孔径[mm]1.7


FPM2.5-XX-500-01_00.jpg

相关产品

下载